• UVA、UVB、UVC、UVD等紫外线的区分与应用领域

    紫外线的波长分类及应用领域根据生物效应的不同,将紫外线按照波长划分为四个波段:长波UVA、中波UVB、短波UVC、真空波UVD。波长越长,穿透能力越强。UVA长波UVA,波长介于320~400纳米,又称为长波黑斑效应紫外线。具有很强的穿透力,能穿透玻璃,甚至9英尺的水;且一年四季,不论阴晴、朝夕都存在。对人体伤害程度:日常皮肤接触到的紫外线95%以上是UVA,因此它对肌肤的伤害最大。UVA能透过表

    2021-09-08 vaico 1795

  • 带软开启功能的MOS-FET电源开关电路

    电源开关电路,经常用在各“功能模块”电路的电源通断控制,是常用电路之一。本文要讲解的电源开关电路,是用MOS管实现的,且带软开启功能。既然带“软”开启功能,不妨把这个电路理解为一个“软”妹纸,让咱们深入去了解她吧! 一、电路说明: 电源开关电路,尤其是MOS管电源开关电路,经常用在各“功能模块”电路的电源通断控制,如下框图所示。 ▲图1:框图中1个MOS管符号代表1个完整的MOS管电源开关电路

    2021-02-04 vaico 423

  • MOS-FET当开关控制时PMOS做上管NMOS做下管分析

    了解MOS管的开通/关断原理你就会发现,使用PMOS做上管、NMOS做下管比较方便。使用PMOS做下管、NMOS做上管的电路设计复杂,一般情况下意义不大,所以很少采用。下面先了解MOS管的开通/关断原理,请看下图:NMOS管的主回路电流方向为D→S,导通条件为VGS有一定的压差,一般为5~10V(G电位比S电位高);而PMOS管的主回路电流方向为S→D,导通条件为VGS有一定的压差,一般为-5~-

    2021-02-04 vaico 502

  • Everlight 亿光主要红外接收头丝印代码参照表

    Everlight主要接收头丝印代码参照表接收头P/N丝印代码备注IRM-563843Y44SIRM-56388(CY)代码相同IRM-3638T86m4IRM-3640T2Xm5IRM-3638M2-X1YR4IRM-3738T3344IRM-3638M2-X16W4IRM-3636M1ZW2IRM-3638N369Q4IRM-273875F4IRM-6638TQ8541654(新)IRM-26

    2019-06-03 391

  • 详解为什么采用4~20mA的电流来传输模拟量信号?

    大家可能会非常熟悉RS232,RS485,CAN等工业上常用的总线,他们都是传输数字信号的方式。那么,我们用什么方式来传输模拟信号呢?工业上普遍需要测量各类非电物理量,例如温度、压力、速度、角度等,这些都需要转换成模拟量电信号才能传输到几百米外的控制室或显示设备上。工业上最广泛采用的是用4~20mA电流来传输模拟量。采用电流信号的原因是不容易受干扰,因为工业现场的噪声电压的幅度可能达到数V,但是噪

    2019-02-11 388

  • RN8209单相计量芯片直流测量说明

    1. 软件配置及校表流程使用 RN8209G 新版/RN8209C/RN8209D 等实现直流测量,与交流测量的不同点在于需要增加直流偏置校正,校正步骤如下:? 寄存器配置:SYSCON 中 BIT[1:0]、BIT[3:2]、BIT[5:4]写入 0,配置三路 ADC 为 1 倍增益;EMUCON 中将 IA/IB/U 三路的 ADC 的高通使能关闭,BIT[14]、BIT[6:5]配置为 1;

    2018-11-26 2678

  • Arduino MEGA2560烧写Bootloader方法

    1)固件程序在你arduino软件的安装文件夹里。目录是D:\arduino-1.6.5\hardware\arduino\avr\firmwares\atmegaxxu22)搜索你电脑里的avrdude.exe,avrdude.conf两个文件,将它复制到你固件所在文件夹atmegaxxu2中。3)通过usbtinyisp将uno与电脑相连。首先烧写的是ATMEGA16U2的Boot

    2018-06-26 1861

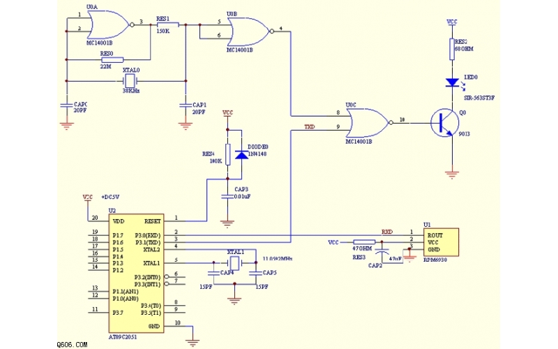
  • 红外抄表原理

    本文介绍的电路,原是在分时电度表中,用于校时和红外抄表的实际电路。 它既简单又实用。利用单片机异步通讯口,用红外光发射管sir-563和红外光接收ic管rpm6938来实现接受和发送点信号的功能,可以实现半双工双向通讯功能。通讯距离约10米,异步通讯波特率1200 .  电路原理:红外发送电路由MC14001B MOS或非门38khz振荡器,串口发送控制门电路和红外光发射管sir-563驱动输出电

    2018-05-08 440

上一页12下一页 转至第